반응형
| ■ 문제 1 |
| 산업안전보건법령상, 안전보건표지중 다음 용도 및 설치,부착장소에 적절한 경고표지의 명칭을 쓰시오. 휘발유 등 화기의 취급을 극히 주의해야 하는 물질이 있는 장소 : ① 가열,압축하거나 강산.알카리 등을 첨가하면 강한 산화성을 띠는 물질이 있는장소 : ② 돌 및 블록등 떨어질 우려가 있는 물체가 있는 장소 : ③ 미끄러운 장소등 넘어지기 쉬운장소 : ④ |
| ■ 답 |
| ① : 인화성 물질 경고 ② : 산화성 물질 경고 ③ : 낙하물체 경고 ④ : 몸균형상실 경고 |
| ☞ 해설 |
산업안전보건법 시행규칙 별표7 (안전보건표지의 종류별 용도, 설치,부착장소 형태 및 색채)![]() |

| ■ 문제 2 | |
| 산업안전보건법령상, 터널 강아치 지보공의 조립시 사업주가 따라야 하는 사항 4가지를 쓰시오. |
|
| ■ 답 | |
| ① : 조립간격은 조립도에 따를것 ② : 주재가 아치작용을 충분히 할수 있도록 쐐기를 박는등 필요한 조치를 할것 ③ : 연결볼트 및 띠장 등을 사용하여 주재 상호간을 튼튼하게 연결할것 ④ : 낙하물이 근로자에게 위험을 미칠 우려가 있는 경우에는 널판등을 설치할것 |
|
| ☞ 해설 | |
| 산업안전보건에관한 규칙 제 364조 (조립 또는 변경시의 조치) 사업주는 터널 지보공을 조립하거나 변경하는 경우에는 다음 각 호의 사항을 조치하여야 한다. 1. 주재(主材)를 구성하는 1세트의 부재는 동일 평면 내에 배치할 것 2. 목재의 터널 지보공은 그 터널 지보공의 각 부재의 긴압 정도가 균등하게 되도록 할 것 3. 기둥에는 침하를 방지하기 위하여 받침목을 사용하는 등의 조치를 할 것 4. 강(鋼)아치 지보공의 조립은 다음 각 목의 사항을 따를 것 가. 조립간격은 조립도에 따를 것 나. 주재가 아치작용을 충분히 할 수 있도록 쐐기를 박는 등 필요한 조치를 할 것 다. 연결볼트 및 띠장 등을 사용하여 주재 상호간을 튼튼하게 연결할 것 라. 터널 등의 출입구 부분에는 받침대를 설치할 것 마. 낙하물이 근로자에게 위험을 미칠 우려가 있는 경우에는 널판 등을 설치할 것 |
|
| ☞ 참고 | |
![]() |
|
| ■ 문제 3 |
| 산업안전보건법령상, 달비계의 적재하중 관련하여 ( )를 채우시오. 달기 와이어로프 및 달기 강선의 안전계수 : (① ) 달기체인 및 달기훅의 안전계수 :( ② ) 달기강대와 달비계의 하부 및 상부 지점의 안전계수는 강재의 경우 (③) 이상, 목재의 경우 5이상 |
| ■ 답 |
| ① : 10 ② : 5 ③ : 2.5 |
| ☞ 해설 |
산업안전보건에관한 규칙 제 55조 (작업발판의 최대 적재하중)![]() |
| ■ 문제 4 |
| 산업안전보건법령상 잠함 또는 우물통의 내부에서 근로자가 굴착작업을 하는 경우에 잠함 또는 우물통의 급격한 침하에 의한 위험을 방지하기 위한 사업주의 준수사항을 2가지 쓰시오 |
| ■ 답 |
| ① : 침하관계도에 따라 굴착방법 및 재햐량등을 정할것 ② : 바닥으로부터 천장 또는 보까지의 높이는 1.8미터 이상으로 할것 |
| ☞ 해설 |
산업안전보건에관한 규칙 제 376조 (급격한 침하로 인한 위험방지)![]() |
| ■ 문제 5 | |
| 산업안전보건법령상, 누전에 의한 감전방지를 위하여 해당 전로의 정격에 적합하고 감도가 양호하며 확실하게 작동하는 감전방지용 누전차단기를 설치해야하는 전기기계.기구 3가지를쓰시오 |
|
| ■ 답 | |
| ① : 대지전압이 150볼트를 초과하는 이동형 또는 휴대형 전기기계.기구 ② : 물 등 도전성이 높은 액체가 있는 습윤장소에서 사용하는 저압(1.5천볼트 이하 직류전압이나 1천볼트 이하의 교류전압을 말한다)용 전기기계ㆍ기구 ③ : 철판ㆍ철골 위 등 도전성이 높은 장소에서 사용하는 이동형 또는 휴대형 전기기계ㆍ기구 ④ : 임시배선의 전로가 설치되는 장소에서 사용하는 이동형 또는 휴대형 전기기계ㆍ기구 |
|
| ☞ 해설 | |
| 산업안전보건에관한 규칙 제 304조 (누전차단기에 의한 감전방지) ① 사업주는 다음 각 호의 전기 기계ㆍ기구에 대하여 누전에 의한 감전위험을 방지하기 위하여 해당 전로의 정격에 적합하고 감도(전류 등에 반응하는 정도)가 양호하며 확실하게 작동하는 감전방지용 누전차단기를 설치해야 한다. <개정 2021. 11. 19.> 1. 대지전압이 150볼트를 초과하는 이동형 또는 휴대형 전기기계ㆍ기구 2. 물 등 도전성이 높은 액체가 있는 습윤장소에서 사용하는 저압(1.5천볼트 이하 직류전압이나 1천볼트 이하의 교류전압을 말한다)용 전기기계ㆍ기구 3. 철판ㆍ철골 위 등 도전성이 높은 장소에서 사용하는 이동형 또는 휴대형 전기기계ㆍ기구 4. 임시배선의 전로가 설치되는 장소에서 사용하는 이동형 또는 휴대형 전기기계ㆍ기구 ![]() |
|
| ☞ 참고 | |
| ■ 문제 6 |
| 산업안전보건법령상, 다음의 물음에 답하시오. ① : 소프트웨어 개발 및 공급업에서 안전보건관리규정을 작성해야 하는 상시 근로자수 ② : 안전보건관리규정에[ 포함될 사항 3가지를 쓰시오 |
| ■ 답 |
| ① : 300명이상 ② : 1) 안전 및 보건에 관한 관리조직과 그 직무에 관한 사항 2) 안전보건교육에 관한 사항 3) 작업장의 안전 및 보건관리에 관한 사항 4) 사고조사 및 대책수립에 관한 사항 |
| ☞ 해설 |
| 산업안전보건법 제 25조 (안전보건관리규정의 작성) ① 사업주는 사업장의 안전 및 보건을 유지하기 위하여 다음 각 호의 사항이 포함된 안전보건관리규정을 작성하여야 한다. 1. 안전 및 보건에 관한 관리조직과 그 직무에 관한 사항 2. 안전보건교육에 관한 사항 3. 작업장의 안전 및 보건 관리에 관한 사항 4. 사고 조사 및 대책 수립에 관한 사항 5. 그 밖에 안전 및 보건에 관한 사항 |
| ☞ 참고 |
| ■ 문제 7 | |
| 산업안전보건법령상, 유해위험방지계획서의 작성,제출대상 건설공사를 착공하려는 경우 건설공사 유해위험방지계획서의 제출기한과 첨부서류 3가지를 쓰시오 |
|
| ■ 답 | |
| ① : 제출기한 : 착공 전날까지 ② : 첨부서류 : 1) 공사개요 2) 안전보건관리계획 3) 작업공사종류별 유해위험방지계획 |
|
| ☞ 해설 | |
| 산업안전보건법 제 42조 (유해위험방지계획서의 작성 ,제출등) 1. 대통령령으로 정하는 사업의 종류 및 규모에 해당하는 사업으로서 해당 제품의 생산 공정과 직접적으로 관련된 건설물ㆍ기계ㆍ기구 및 설비 등 전부를 설치ㆍ이전하거나 그 주요 구조부분을 변경하려는 경우 2. 유해하거나 위험한 작업 또는 장소에서 사용하거나 건강장해를 방지하기 위하여 사용하는 기계ㆍ기구 및 설비로서 대통령령으로 정하는 기계ㆍ기구 및 설비를 설치ㆍ이전하거나 그 주요 구조부분을 변경하려는 경우 3. 대통령령으로 정하는 크기, 높이 등에 해당하는 건설공사를 착공하려는 경우 1항,2항은 해당 작업 시작 15일 전까지 공단에 2부를 제출. 3항은 해당 공사의 착공전날까지 공단에 2부를 제출. |
|
| ☞ 참고 | |
| 제출서류 : 제조업 1. 건축물 각 층의 평면도 2. 기계ㆍ설비의 개요를 나타내는 서류 3. 기계ㆍ설비의 배치도면 4. 원재료 및 제품의 취급, 제조 등의 작업방법의 개요 5. 그 밖에 고용노동부장관이 정하는 도면 및 서류 |
제출서류 : 건설공사 1. 공사 개요 및 안전보건관리계획 가. 공사 개요서(별지 제101호서식) 나. 공사현장의 주변 현황 및 주변과의 관계를 나타내는 도면(매설물 현황을 포함한다) 다. 전체 공정표 라. 산업안전보건관리비 사용계획서(별지 제102호서식) 마. 안전관리 조직표 바. 재해 발생 위험 시 연락 및 대피방법 2. 작업 공사 종류별 유해위험방지계획 |
| ■ 문제 8 | |
| 파단하중이 42.8KN인 와이어로프 1200Kg의 화물을 두줄걸이로 상부 각도 108도의 각도로 들어올릴 때, 안전율을 구하고 만족,불만족 여부를 판단하고 이유를 쓰시오 |
|
| ■ 답 | |
| ① : 안전율 : 4.28 ② : 만족,불만족 여부 : 불만족 |
|
| ☞ 해설 | |
| 안전율 = 파단하중/작용하중 1) 와이어로프 한가닥에 걸리는 하중 (kg)=W/2*9.8/COS(108/2) =10003.65 2) 안전율 = 42.8/10.003 =4.28 3) 안전율 5미만이므로 불만족 |
|
| ☞ 참고 | |
| ■ 문제 9 |
| 목재가공용 둥근톱에 대한 방호장치 중 분할날이 갖추어야 할 사항과 관련하여 ( )를 채우시오. 견고히 고정할수 있으며 분할날과 톱날 원주면과의 거리는 (① )mm 이내로 조정, 유지할수 있어야 하고, 표준테이블면 상의 톱 뒷날의 2/3이상을 덮도록 한다. 분할날 조임볼트는 (② ) 개 이상일 것 분할날 조임볼트는 (③ ) 조치가 되어 있을것 |
| ■ 답 |
| ① : 12 ② : 2 ③ : 이완방지 |
| ☞ 해설 |
| 목재가공용둥근톱기계의안전기준에관한기술상의지침 제16조(반발예방장치의 구조 규격) ① 분할날은 톱의 후면톱날에 근접·설치되어 갈라진 가공재의 홈에 먹혀 들어가고 가공재의 모든 두께에 걸쳐 쐐기작용을 하는것으로 가공재가 톱에 밀착되는 것을 방지하는 것이다. ② 분할날의 재료는 한국산업규격 D3751-84(탄소공구강재)에 정하는 STC 5의 규격에 적합 하거나 이와 동등 이상의 기계적 성질을 보유 하여야 한다. ③ 분할날은 표준테이블면(승강 테이블에 있어서는 테이블을 최대로 내린때의 면)상의 톱의 후면날의 2/3 이상을 덮고 톱날과의 간격이 12㎜ 이내가 되어야 한다. ④ 분할날의 두께는 둥근톱 두께의 1.1배 이상이어야 한다. ⑤ 분할날 설치부는 둥근톱날과 분할날과의 간격을 조절할 수 있는 기능을 가여야 한다. ⑥ 분할날의 설치볼트는 다음 각 호에 적합하여야 한다. 1. 재료가 강재이고 직경은 분할날의 종류에 따라 다음〈표〉에서 정하는 직경 이상일 것 ![]() 2. 분할날의 설치볼트 수는 2개 이상일 것 3. 분할날의 설치볼트는 접시형 용수철, 와샤 등의 이완방지 장치가 되어 있을 것 |
| ■ 문제 10 |
| 산업안전보건위원회의 근로자 위원 자격 3가지를 쓰시오 |
| ■ 답 |
| ① : 근로자 대표 ② : 근로자 대표가 지명하는 1명이상의 명예산업안전감독관 ③ : 근로자 대표가 지명하는 9명이내의 해당 사업장의 근로자 |
| ☞ 해설 |
| 산업안전보건법 시행령 제 35조 (산업안전보건위원회의 구성) ① 산업안전보건위원회의 근로자위원은 다음 각 호의 사람으로 구성한다. 1. 근로자대표 2. 명예산업안전감독관이 위촉되어 있는 사업장의 경우 근로자대표가 지명하는 1명 이상의 명예산업안전감독관 3. 근로자대표가 지명하는 9명(근로자인 제2호의 위원이 있는 경우에는 9명에서 그 위원의 수를 제외한 수를 말한다) 이내의 해당 사업장의 근로자 ② 산업안전보건위원회의 사용자위원은 다음 각 호의 사람으로 구성한다. 다만, 상시근로자 50명 이상 100명 미만을 사용하는 사업장에서는 제5호에 해당하는 사람을 제외하고 구성할 수 있다. 1. 해당 사업의 대표자(같은 사업으로서 다른 지역에 사업장이 있는 경우에는 그 사업장의 안전보건관리책임자를 말한다. 이하 같다) 2. 안전관리자(제16조제1항에 따라 안전관리자를 두어야 하는 사업장으로 한정하되, 안전관리자의 업무를 안전관리전문기관에 위탁한 사업장의 경우에는 그 안전관리전문기관의 해당 사업장 담당자를 말한다) 1명 3. 보건관리자(제20조제1항에 따라 보건관리자를 두어야 하는 사업장으로 한정하되, 보건관리자의 업무를 보건관리전문기관에 위탁한 사업장의 경우에는 그 보건관리전문기관의 해당 사업장 담당자를 말한다) 1명 4. 산업보건의(해당 사업장에 선임되어 있는 경우로 한정한다) 5. 해당 사업의 대표자가 지명하는 9명 이내의 해당 사업장 부서의 장 |
| ■ 문제 11 |
| 산업안전보건법령상, 사업주는 유자격자가 충전전로 인근에서 작업하는 경우에는 절연된 경우 혹은 절연장갑을 착용한 경우를 제외하고는 노출 충전부에 접근한계거리 이내로 접근하거나 절연 손잡이가 없는 도전체에 접근할수 없도록 해야 한다. 아래의 충전전로의 선간전압(kV)에 따른 충전전로에 대한 접근 한계거리(cm)를 쓰시오 |
| ■ 답 |
| ① : 60 ② : 110 ③ : 170 |
| ☞ 해설 |
| 산업안전보건기준에 관한 규칙 제 321조 (충전전로에서의 전기작업) 8. 유자격자가 충전전로 인근에서 작업하는 경우에는 다음 각 목의 경우를 제외하고는 노출 충전부에 다음 표에 제시된 접근한계거리 이내로 접근하거나 절연 손잡이가 없는 도전체에 접근할 수 없도록 할 것 가. 근로자가 노출 충전부로부터 절연된 경우 또는 해당 전압에 적합한 절연장갑을 착용한 경우 나. 노출 충전부가 다른 전위를 갖는 도전체 또는 근로자와 절연된 경우 다. 근로자가 다른 전위를 갖는 모든 도전체로부터 절연된 경우 ![]() |
| ■ 문제 12 |
| 산업안전보건법령상, 로봇작업에서 사업주가 근로자에게 실시해야 하는 특별안전.보건교육의 내용 4가지를 쓰시오. |
| ■ 답 |
| ① : 로봇의 기본원리.구조 및 작업방법에 관한 사항 ② : 이상발생시 응급조치에 관한 사항 ③ : 안전시설 및 안전기준에 관한 사항 ④ : 조작방법 및 작업순서에 관한 사항 |
| ☞ 해설 |
| 산업안전보건법 시행규칙 별표5 (안전보건교육 교육대상멸 교육내용) 라. 특별교육 대상 작업별 교육 ![]() |
| ■ 문제 13 |
| 산업안전보건법령상 유해.위험방지를 위한 방호조치를 아니하고는 양도,대여,설치 또는 사용에 제공하거나 양도.대여의 목적으로 진열해서는 안되는 기계,기구 4가지를 쓰시오 |
| ■ 답 |
| ① : 예초기 ② : 원심기 ③ : 공기압축기 ④ : 금속절단기 ⑤ : 지게차 |
| ☞ 해설 |
산업안전보건법 시행령 별표 20 (유해.위험 방지를 위한 방호조치가 필요한 기계.기구)![]() |
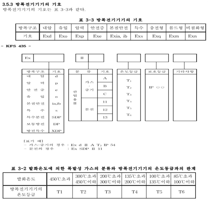
| ■ 문제 14 |
| 다음의 방폭구조의 기호를 쓰시오 안전증 방폭구조 : 충전 방폭구조 : 유입 방폭구조 : 특수 방폭구조 : |
| ■ 답 |
| ① : Ex e ② : Ex q ③ : Ex o ④ : Ex s |
| ☞ 해설 kfs-435 방폭구조의 전기설비기준 |
![]() |
반응형
'산업안전지도사 시험 > 산업안전기사시험' 카테고리의 다른 글
| 산업안전기사 필답형 문제풀이-2023년 3회 (0) | 2024.09.14 |
|---|---|
| 산업안전기사 실기(필답형) 기출문제풀이-2022년 2회 (2) | 2024.07.16 |
| 산업안전기사 실기(필답형) 기출문제풀이-2022년 1회 (0) | 2024.07.16 |
| 산업안전기사 실기(필답형) 기출문제풀이-2024년 1회 (2) | 2024.07.13 |
| 산업안전기사 실기( 필답형 )문제풀이-2023년 1회 (2) | 2024.05.13 |










